SJ
SeanJohn Media
Robotics

Robotic Arms

Started May 12, 2025 · Development window: 15 weeks

View code

The robotic arms project was inspired by a conversation between a fellow classmate named Alexa and I when we talked about creating a project for our production studios class. We were itching to learn more about mechanics, automation, AI and programming when it came to functional robots. The robotic arms project was the scratch to that itch.

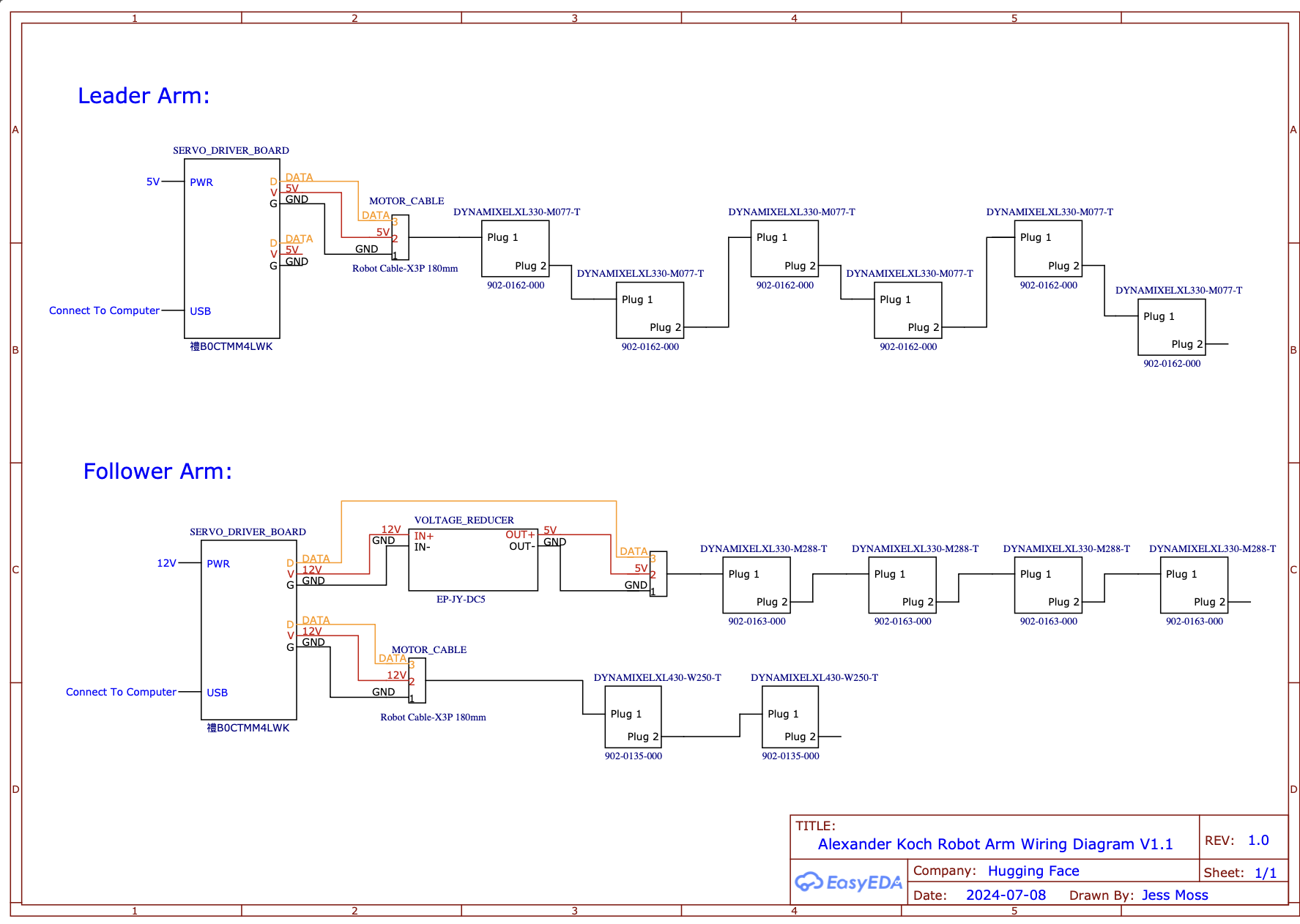
The project consists of two robotic arms. One arm is set as the leader arm while the other is the follower. The leader arm can control and <i>train</i> the follower arm using telemetry. By recording the training sessions and changing the environment slightly on every session, we then took that dataset and trained an AI model on it. This model could then perform automated tasks like picking up an item and placing it in a container. With this approach, the item and the container can be in different places and the AI model is still able to adapt to achieve the goal.

Project attributes

Date started
May 12, 2025
Development time
15 weeks
Categories
Robotics
Technologies
VS Code Python Bambu Studio Fusion 360

Media

Project gallery

Robotic Arms
Robotic Arms
Robotic Arms
Robotic Arms
Robotic Arms
Robotic Arms
Robotic Arms
Robotic Arms
Robotic Arms
Robotic Arms
Robotic Arms
Robotic Arms

Video

Walkthroughs & demos

Schematic for Robotic Arms